16969312
366
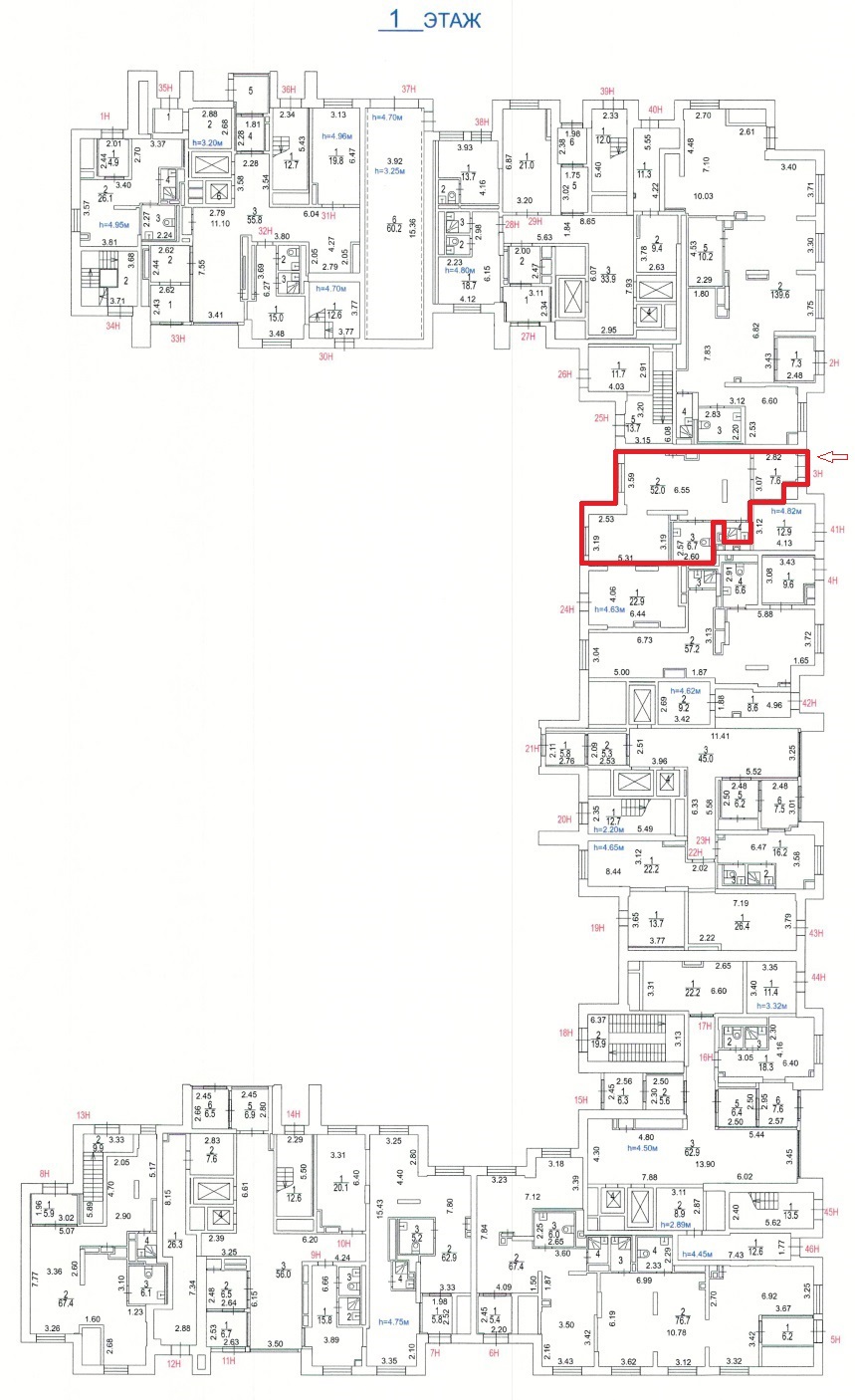
Нежилое помещение на продажу, 68,4 м²
ВАО, Зелёный пр-т, д. 103, Этаж 1, пом. 3Н
Новогиреево
8 минут пешком
8 минут на транспорте
Площадь
68,4 м²
Этаж
1
Начальная цена
14 170 000,00 руб.
207 163,74 руб. за м²
Статус
Прием заявок
Окончание приема заявок
09.10.2025, 12:00
Ваш онлайн-консультант
Получите консультацию по всем интересующим вопросам
Дата начала приёма заявок
08.09.2025, 17:00
Дата окончания приёма заявок
09.10.2025, 12:00
Отбор участников
16.10.2025, 12:00
Проведение торгов
20.10.2025, 07:00
Подведение итогов
20.10.2025, 14:00
Тип объекта
Нежилое помещение
Кадастровый номер
77:03:0006020:11487
Площадь объекта
68,4 м²
Функциональное назначение
Свободное
Этаж
1
Тип входа
Отдельный
Перечень помещений
Не указано
Расположение и инфраструктура
Как участвовать в торгах?
Ознакомьтесь с пошаговой инструкцией, в которой вы найдете всю необходимую информацию для участия в торгах.
Узнать больше об участии в торгахНачальная цена
14 170 000,00 руб.
207 163,74 руб. за м²
Статус
Прием заявок
Окончание приема заявок
09.10.2025, 12:00
Ваш онлайн-консультант
Получите консультацию по всем интересующим вопросам